×
提示信息:
确认
欢迎来到红宝电子!
gce -ag真人官方网
ag真人官方网
关于ag真人官方网
ag真人官方网的介绍
代理品牌
ag真人官方网的合作伙伴
新闻资讯
公司新闻
行业新闻
ag真人官方网的产品中心
贴片电容
贴片钽电容
高压瓷片电容
薄膜电容
铝电解电容
超级电容
压敏电阻
热敏电阻
气体放电管
保险丝
磁芯材料
电感/磁珠
贴片电容
贴片钽电容
高压瓷片电容
薄膜电容
铝电解电容
超级电容
压敏电阻
热敏电阻
气体放电管
保险丝
磁芯材料
电感/磁珠
电流传感器
散热风机
晶振
贴片电阻
继电器
led发光器件
lcd液晶屏
半导体器件
微型开关
精密连接器
联系ag真人官方网
ag真人官方网的联系方式
人力资源
ag真人官方网
中文
en
0531-8228 6666
ag真人官方网
ag真人官方网
关于ag真人官方网
新闻资讯
ag真人官方网的产品中心
联系ag真人官方网
中文
en
贴片电容
贴片钽电容
高压瓷片电容
薄膜电容
铝电解电容
超级电容
压敏电阻
热敏电阻
气体放电管
保险丝
磁芯材料
电感/磁珠
电流传感器
散热风机
晶振
贴片电阻
继电器
led发光器件
lcd液晶屏
半导体器件
微型开关
精密连接器
贴片电容
贴片钽电容
高压瓷片电容
薄膜电容
铝电解电容
超级电容
压敏电阻
热敏电阻
气体放电管
保险丝
当前位置:
ag真人官方网
>
中文版
>
ag真人官方网的产品中心
>
贴片电容
>
村田murata贴片陶瓷电容
>
smd陶瓷电容器
>
品牌:村田
型号:gce
系列:gce
工作温度范围:-55 to 125 °c
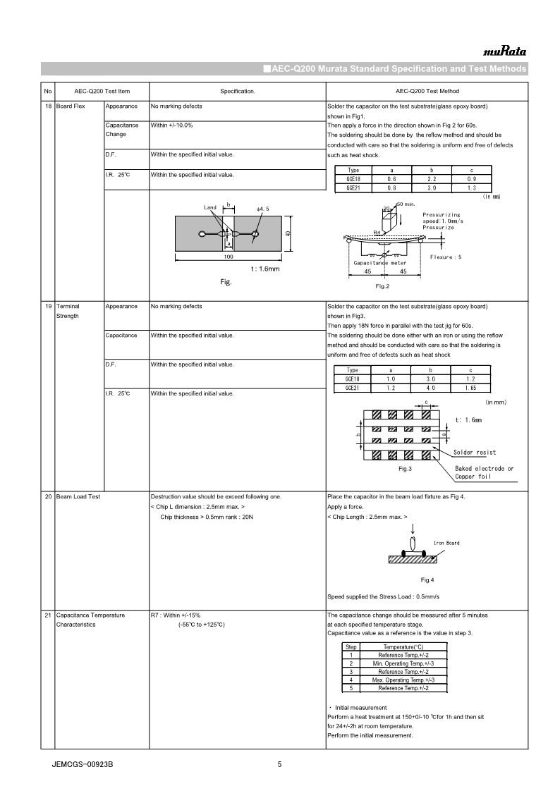
应用领域:本产品规格适用于用于汽车电子设备的软、mlsc设计芯片多层陶瓷电容器。
产品详情
上一篇:
gcd
下一篇:
llc
官方微信
联系电话
座机
0531-8228 6666
手机
86-0531-8228 6666
预约上门
返回顶部
×
预约上门
请拨打销售热线
0531-8228 6666
,或让我们联系您!
联系人:
*
电话:
*
留言内容:
网站地图